MV-H07BIF / Ścienne seria Focus

Produkt archiwalny

Cena katalogowa netto:
Cena i dostępność na zapytanie

Opis:

5 lat gwarancji

Cechy produktu:

Dane techniczne

DANE ELEKTRYCZNE

Wydajność chłodzenie / grzanie2,1 / 2,6 kW
Napięcie / częstotliwość230 / 50 V / Hz

PRZEPŁYW POWIETRZA

Przepływ powietrza560 / 490 / 430 / 330 m³/h

CIŚNIENIE AKUSTYCZNE

Poziom ciśnienia akustycznego (Grzanie/Chłodzenie)39 / 36 / 32 / 28 dB(A)

MOC AKUSTYCZNA

Poziom mocy akustycznej55 / 52 / 44 / 38 dB(A)

WYDAJNOŚĆ OSUSZANIA

Osuszanie0,6 l/h

ZAKRES REGULACJI TEMPERATURY

Grzanie16 ~ 30 °C

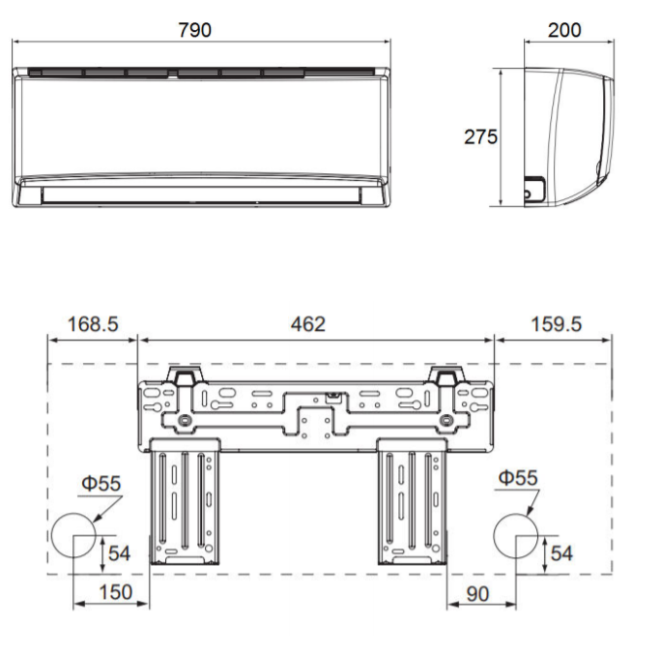
WYMIARY / WAGA

Długość x wysokość x szerokość790 x 275 x 200 mm
Waga netto9,0 kg

CECHY / WYPOSAŻENIE

Moduł WiFiTak
Filtr plazmowyTak
Funkcja I-FeelTak
Żaluzje prawo-lewo sterowane z pilotaNie
Ilość biegów wentylatora jedn. wewn.4
Pilot w standardzieBezprzewodowy
Możliwość podłączenia pilota przewodowegoTak
Styk On/OffTak
BMSNie

Dane montażowe

DANE ELEKTRYCZNE

Napięcie / częstotliwość230 / 50 V / Hz
Styk on/off (opcjonalnie)2 x 1,0 mm²
Zasilana jednostkaZewnętrzna
Sterowanie4 x 1,5 mm²

ŚREDNICA RUR

Średnica rur przyłączeniowych ciecz1/4 / 6,4 cal/mm
Średnica rur przyłączeniowych gaz3/8 / 9,5 cal/mm
Usytuowanierury wychodzą z prawej strony i są skierowane w lewą stronę
Moment dokręcający rurę cieczową15 ~ 20 N∙m
Moment dokręcający rurę gazową30 ~ 40 N∙m

GRAWITACYJNE ODPROWADZENIE SKROPLIN

Średnica węża skroplin16 mm

WYMIARY / WAGA

Długość x wysokość x szerokość790 x 275 x 200 mm
Waga netto9,0 kg

Rysunki techniczne

mvh07_09bif.PNG
jakość.svg
Najwyższa jakość

Dysponujemy wysokiej jakości asortymentem, co potwierdza obecność marki Sinclair na rynku od przeszło 20 lat.

obsługa.svg
Profesjonalna obsługa

Nasz wykwalifikowany i doświadczony zespół oferuje wsparcie techniczne oraz dobór produktów spełniających Państwa oczekiwania.

gwarancja_1.svg
Nawet 5 lat gwarancji!

Zapewniamy wsparcie techniczne w tym dostępność części zamiennych w wydłużonym okresie gwarancyjnym wynoszącym do 5 lat.